Колумбус

РЕМОНТ сервопривода MAZAK
ремонт сервоусилителя MAZAK

в

МЕНЮ

Ошибки и ремонт сервопривода MAZAK в

 

Ремонт сервопривода MAZAK

Ремонт сервопривода MAZAK

Сервисный центр «Кернел» предлагает выполнить качественный ремонт сервопривода MAZAK в на компонентном уровне в максимально сжатые сроки.

Сервопривода относятся к сложной промышленной электронике именно поэтому ремонтом серводрайверов MAZAK, впрочем, как и сервоприводов других производителей должны заниматься специалисты, имеющие не только высшее техническое образование, но и солидный опыт в ремонте подобной промышленной электроники.

Также для восстановления подобного промышленного оборудования понадобится хорошая материально-техническая база. При выполнении этих условий шансы на успешный ремонт сервопривода MAZAK и возрастают в геометрической прогрессии.

Именно поэтому за ремонтом сервоприводов MAZAK или другого производителя лучше всего обращаться в специализированный сервисный центр, который отвечает всем техническим требованиям, такой как Кернел.

Наш цент имеет отличную материально-техническую ремонтную базу, а за время существования с 2002 года специалисты компании накопили бесценный опыт в том числе опыт в ремонте сервоприводов MAZAK.

Инженеры сервисного центра выполняют качественный ремонт сервоприводов MAZAK всех серий, когда-либо выпускаемых компанией.

Привод

Тип

MAZAK MAZAK 93-69-1000; MAZAK 69-1000; MAZAK 93-69-1010; MAZAK GPD515 SPINDLE DRIVE; MAZAK 60 HP; MAZAK 60AMP 93-32-5552E; MAZAK PN 32 4070; MAZAK 29-10071 VECTOR DRIVE; MAZAK 29-0728A REV A 20 HP; MAZAK 65-4054A REV-B 20 HP; MAZAK Magnetek GDP503 DS307 SPINDLE DRIVE; MAZAK 29-10081 Rev B 40 HP; MAZAK 29-10072 Rev B 40 HP; MAZAK 29-0726A Rev A 40 HP; MAZAK VECTOR DRIVE 60HP

 

В данной таблице присутствуют далеко не все сервоприводы MAZAK ремонт которых предлагает наш сервисный центр.

Особенности ремонта сервопривода MAZAK

Ремонт сервопривода MAZAK

Ремонт сервопривода MAZAK имеет ряд индивидуальных особенностей, это связано с конструктивными особенностями сервоприводов. По аналогии частотными преобразователями, сервопривод состоит из двух частей, это:

  • Аппаратная часть;
  • Программная часть.

В первую очередь ремонтируется аппаратная часть промышленного сервопривода. После глубокой диагностики неисправного блока выявляются все неисправные компоненты, которые в последствии заменяются на оригинальные запасные части (по возможности), в случае если сервопривод уже давно снят с производства и найти оригинальные запчасти просто невозможно они заменяются на аналоги.

Данный вид ремонта называется компонентным. От других видов его отличает две немаловажные вещи.

  • Значительное удешевление ремонта;
  • Существенное сокращение времени ремонта.

По завершении ремонта аппаратной части сервопривода наступает очередь программной. В зависимости от серии выбирается программный продукт и зашивается в блок.

Заключительный этап ремонта сервопривода MAZAK в это проверка на специализированном стенде, без нагрузки и с нагрузкой максимально приближенна к реальным условиям эксплуатации.

Ошибки сервоприводов MAZAK

Ремонт сервопривода MAZAK

В процессе работы выходит из строя даже самое надежное промышленное оборудование. В данной статье мы приведем ошибки сервоприводов MAZAK, а точнее MAZAK IS620P series. Привода в наше время, нашли широкое применение абсолютно во всех сферах промышленности, управляя как мини моторами в оргтехнике, так и гигантскими двигателями в горнодобывающей промышленности.

Для простоты общения со столь сложной электроникой все сервопривода оснащены небольшими дисплеями с помощью которых выводятся информационные сообщения с кодами ошибок, расшифровав которые можно сразу же узнать причину ее возникновения. Если учесть распространенность данной промышленной электроники, то появляется острая нужда в расшифровке кодов ошибок сервопривода. В этой статье мы рассмотрим одного из самых известных производителей промышленной электроники имеющему уважение во всем мире, MAZAK севрво усилители и .

Существует несколько видов ошибок, некоторые из них можно устранить автоматически, а некоторые возможно исправить только, обратившись в специализированный сервисный центр. В таблицах ниже приведены коды ошибок сервоприводов MAZAK MDS-A, MDS-B и MDS-C1 и их расшифровка.

Код ошибкиОисание
11 Axis sewion error.
12 Memory error.
13 Software processing error.
16 Pole position detection error.
17 AD converter error.
18 Initial communication error.
1A Serial detector communication error (SUB).
1B CPU error (SUB).
1C LED error (SUB).
1D Data error (SUB).
1E Serial detector thermal error (SUB).
1F Communication error (SUB).
20 No signal detected 1.
21 No signal detected 2.
25 Absolute position lost.
26 Not used axis error.
27 Absolute position detection scale CPU error.
28 Absolute position overspeed.
29 Absolute position detection circuit error.
2A Relative position detection circuit error.
2B Scale CPU error.

Полный перечень ошибок вы найдете в рководстве пользователя расположенного ниже.

Для более длительной безаварийной работы промышленного оборудования должны соблюдаться все рекомендации, изложенные в инструкции по монтажу и настройке сервопривода.

Сервопривод MAZAK, скачать инструкции по эксплуатации

Ниже вы можете скачать руководства по эксплуатации сервоприводов MAZAK практически для всех серий, когда-либо выпущенных данным производителем.

Сервопривод MAZAK MDS-A, MDS-B и MDS-C1 мануал.

Скачать PDF

Преимущество ремонта сервоприводов в нашем сервисном центре

Ремонт сервопривода MAZAK

  • Предварительный осмотр на возможность восстановления бесплатный;
  • Мы производим ремонт сервопривода MAZAK в на компонентном уровне (экономия бюджета и времени)
  • При ремонте ни каких конструктивных изменений не вносим;
  • Ремонт блоков с применением оригинальных запасных частей (по возможности).
  • Вы платите исключительно за результат - работающий сервопривод;
  • Гарантия на ремонт сервопривода MAZAK и запасные части, замененные в процессе ремонта 6 месяцев;
  • Сроки ремонта варьируются от 5 до 15 рабочих дней;

За два десятилетия существования сервисного центра нашими специалистами были успешно проведены тысячи подобных ремонтов с каждым разом поднимая квалификацию наших инженеров.В случае выхода из строя промышленного сервопривода на вашем производстве либо появились проблемы с приводом, которые вы не можете решить самостоятельно, мы всегда рады вам помочь.

Специалисты нашего сервисного центра в минимальные сроки проведут глубокую диагностику и последующий ремонт сервопривода MAZAK в .

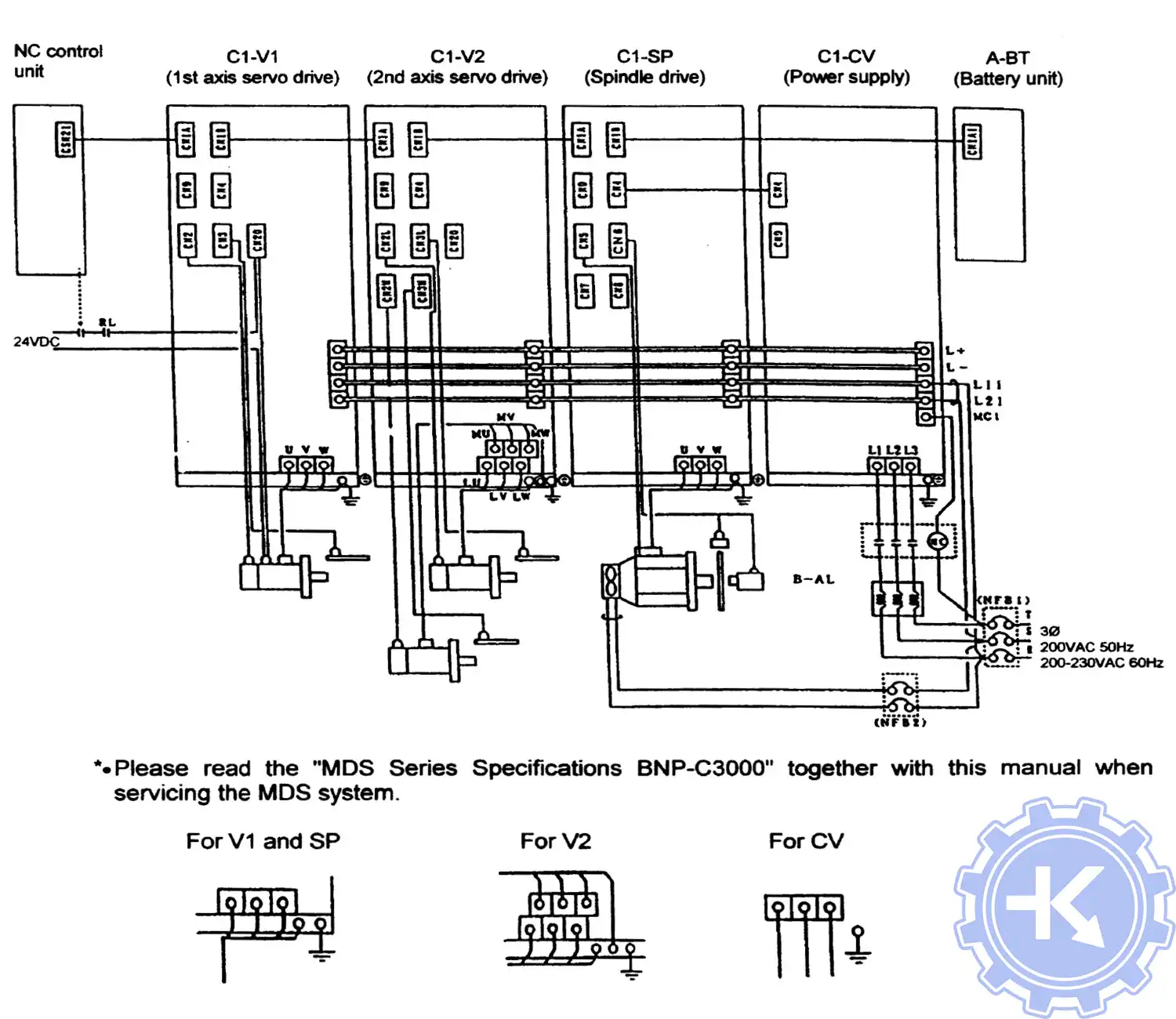
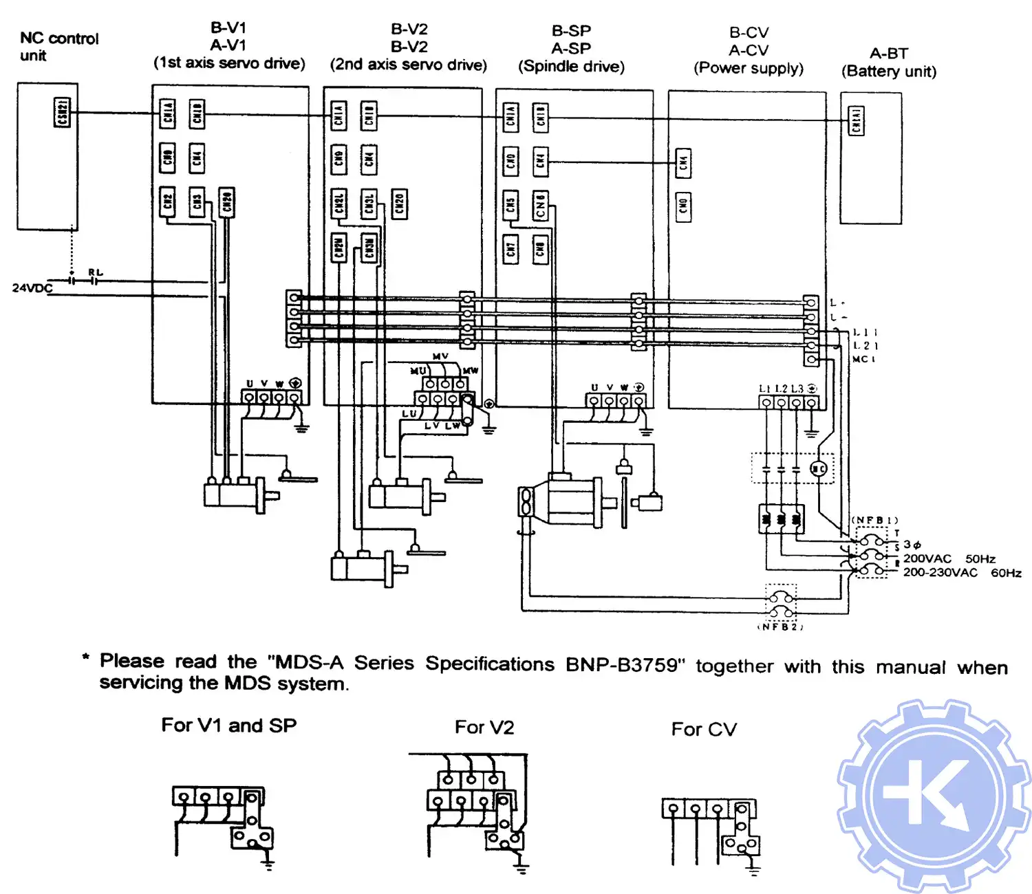
Схемы подключения серво привода MAZAK

В некоторых случает может понадобится схема подключения сервоприводов, ниже мы показаны блок схемы подключения сервоприводов MAZAK.

Стандартная схема подключения сервоуселителей
MAZAK MDS- A/B series

Стандартная схема подключения сервоуселителей
MAZAK MDS- C1 series

Стандартная схема подключения сервоуселителей MAZAK MDS- A/B series

Стандартная схема подключения сервоуселителей MAZAK MDS- C1 series

 

Оставить заявку на ремонт сервопривода MAZAK

У вас есть проблемы с приводом? Вам нужен срочный ремонт, сброс ошибок или программирование и настройка? Оставьте заявку на ремонт сервопривода MAZAK в воспользовавшись одноименной кнопкой на сайте либо обратитесь к нашим менеджерам. Связаться с ними можно несколькими способами:

Наши контакты

  • Заполнив форму заявки на ремонт (кнопка в правом верхнем углу сайта)
  • Позвонив по номеру телефона:
    • +7(8482) 79-78-54;
    • +7(8482) 55-96-39;
    • +7(917) 121-53-01
  • Написав на электронную почту: 89171215301@mail.ru

Вот далеко не полный список производителей промышленного оборудования, ремонт которого производит наша компания.

Похожие статьи