Ошибки и ремонт устройства плавного пуска Danfoss в

 

Ремонт УПП Danfoss в сервисном центре

Ремонт устройства плавного пуска DanfossКомпания «Кернел» производит ремонт устройств плавного пуска Danfoss в с 2002 года. За это время мы накопили колоссальный опыт в том числе опыт в ремонте УПП такого известного производителя. Ремонт подобной промышленной электроники ответственное и сложное занятие, требующие максимальной отдачи, профессионализма и максимально полной материальной базе.

Устройство плавного пуска MCD 500 оснащено информационной панелью, призванной сделать общение оператора и УПП максимально легким и комфортным. При вводе в эксплуатацию оборудования с помощью данной панели устройство программируется и настраивается, а в случае непредвиденной ситуации на панель УПП выводится ошибка, вызвавшая аварийную остановку оборудования. В таблицах ниже приведены все возможные ошибки Danfoss MCD 500. Устранив причину ошибки и сбросив ее на устройстве плавного пуска позволит в кратчайшие сроки возобновить работу. К сожалению не все ошибки можно исправить самостоятельно, некоторые ошибки возможно исправить только в специализированных сервисных центрах.

Специалисты нашего сервисного центра уделяют максимальное внимание к качеству исполнения ремонта, программирования и настройке УПП в , не зависимо от производителя данного промышленного оборудования. Именно поэтому мы смело даем гарантию на все выполненные работы шесть месяцев.

Ремонт устройств плавного пуска Danfoss производится исключительно с использованием оригинальных запасных частей, на компонентном уровне с применением высокотехнологичного оборудования, квалифицированным персоналом с инженерным образованием.

Если на вашем производстве появились проблемы с плавным пуском, которые вы не можете решить самостоятельно, мы всегда рады вам помочь. Обращайтесь в сервисный центр «Кернел». Специалисты нашей компании в минимальные сроки проведут глубокую диагностику и последующий ремонт УПП Danfoss в . Оставьте заказ на ремонт оборудования используя форму на сайте.

Сообщения об отключении УПП Danfoss MCD 500 – ошибки

В таблице приведены защитные механизмы (ошибки) устройства плавного пуска и вероятные причины отключения. Некоторые из них можно настроить с помощью группы параметров 2 Protection (Защита) и группы параметров 16 Protection Action (Действия защиты). Другие защитные механизмы являются встроенными системными средствами защиты и не могут быть заданы или настроены.

Ошибки УПП Danfoss MDC 500 и методы их устранения.

Ошибка / сообщение

Причина / решение

Awaiting data (Ожидание данных)

LCP не получает данные с платы управления. Проверьте соединения кабеля и правильность монтажа дисплея на устройстве плавного пуска.

Battery/clock (Батарея/часы)

Ошибка при проверке реального времени часов либо низкое напряжение резервного аккумулятора. При разрядке аккумулятора и отключенном питании настройки даты и времени будут утрачены. Перепрограммируйте дату и время.

Controller (Контроллер)

Имя, выбранное для программируемого входа. См. Input A trip (Вход А: отключение).

Current imbalance (Дисбаланс тока)

Дисбаланс тока может быть вызван неполадками двигателя, неблагоприятными внешними условиями или ошибками при установке, такими как:

  • дисбаланс напряжения сети на входе
  • неполадка в обмотке электродвигателя
  • малая нагрузка на двигатель
  • потеря фазы на клеммах сетевого питания L1, L2, or L3 во время рабочего режима. Тиристор SCR, который не выполнил размыкание цепи. Сбой SCR можно достоверно диагностировать только путем его замены и проверки работы устройства плавного пуска.

Current read err lx (Ошибка чтения значения тока lx)

Здесь X — фаза 1, 2 или 3.

Внутр. ошибка (отказ печатной платы). При отключении тиристоров SCR выход цепи трансформатора тока недостаточно близок к нулю. Обратитесь за советом к местному поставщику оборудования Danfoss.

Это отключение не настраивается.

Excess start time (Избыточное время пуска)

Отключение из-за максимального времени пуска может произойти в следующих случаях:

  • Пар. 1-1 Motor FLC (Ток полной нагрузки двигателя) не соответствует двигателю.
  • Установлено слишком низкое значение для пар. 1-4 Current Limit (Предел по току).
  • Значение в пар. 1-6 Start Ramp Time (Время изменения скорости при пуске) превышает значение, установленное в пар. 1-9 Excess Start Time Setting (Макс. время пуска).
  • Значение пар. 1-6 Start Ramp Time (Время изменения скорости при пуске) слишком короткое для высоко инерционной нагрузки при применении адаптивного управления.

Firing fail px (Отказ включения PX)

Здесь X — фаза 1, 2 или 3.

Тиристор SCR не сработал как нужно. Найдите неисправные SCR и неисправную внутреннюю проводку.

Это отключение не настраивается.

FLC too high (Слишком высокий ТПН)

При подключении к двигателю по схеме «внутри треугольника» устройство плавного пуска может поддерживать более высокие значения тока полной нагрузки двигателя, чем при линейном соединении. Если устройство плавного пуска подключено в линию, а значение, запрограммированное в параметре 1-1 Motor FLC (Ток полной нагрузки двигателя) превышает максимум для такого соединения, устройство отключается при пуске (см.

глава 4.5 Минимальное и максимальное значения тока).

При подключении устройства плавного пуска по схеме «внутри треугольника» проверьте, правильно ли устройство плавного пуска обнаруживает подключение. Обратитесь за советом к местному поставщику оборудования Danfoss.

Frequency (Частота)

Частота тока в электросети вне нормативного предела.

Проверьте другое оборудованием поблизости, которое может влиять на питание от сети, особенно преобразователи частоты и импульсные источники питания (SMPS).

Если устройство плавного пуска питается от генератора, возможно, генератор слишком маломощен либо имеются неполадки с регулированием его скорости.

Heat sink overtemp (Перегрев радиатора)

Проверьте, работают ли вентиляторы охлаждения. Если устройство смонтировано в корпусе, проверьте, обеспечивается ли достаточная вентиляция.

Вентиляторы функционируют во время пуска, в рабочем режиме и 10 минут после выхода устройства плавного пуска в состояние останова.

УВЕДОМЛЕНИЕ

Модели с MCD5-0021B по MCD4-0053B и MCD5-0141B не оснащены вентилятором охлаждения. В моделях с вентилятором охлаждающие вентиляторы работают с момента пуска до истечения 10 минут после останова.

High level (Высокий уровень)

Имя, выбранное для программируемого входа. См. Input A trip (Вход А: отключение).

High pressure (Высокое давление)

Имя, выбранное для программируемого входа. См. Input A trip (Вход А: отключение).

Input A trip (Вход А: отключение)

Программируемый вход запрограммирован на функцию отключения и активирован. Устраните неполадку, которая приводит к срабатыванию.

Instantaneous overcurrent (Мгновенная перегрузка по току)

В работающем электродвигателе произошел резкий скачок тока двигателя, вероятно, из-за блокировки ротора (срезной штифт). Проверьте, не заблокирована ли нагрузка.

Internal fault X (Внутр. ошибка Х)

Устройство плавного пуска отключилось из-за внутренней ошибки. Обратитесь к поставщику оборудования Danfoss и сообщите код неисправности (Х).

L1 phase loss (Потеря фазы L1) L2 phase loss (Потеря фазы L2) L3 phase loss (Потеря фазы L3)

В ходе предпусковых мероприятий проверьте, действительно ли устройство пуска выявило потерю фазы, как показано на экране.

В рабочем режиме устройство плавного пуска выявило падение тока по затронутой фазе до уровня менее 3,3 % запрограммированного значения ТПН двигателя более чем на 1 секунду. Такое падение тока указывает на потерю входной фазы или обрыв соединения с двигателем. Проверьте на устройстве плавного пуска и двигателе:

  • Подключения питания.
  • Входные подключения.
  • Выходные подключения.

Неисправность SCR, в частности, сбой SCR при размыкании цепи, также может вызвать потерю фазы. Сбой SCR можно достоверно диагностировать только путем его замены и проверки работы устройства плавного пуска.

L1-T1 shorted (Короткое замыкание L1-T1)

L2-T2 shorted (Короткое замыкание L2-T2)

L3-T3 shorted (Короткое замыкание L3-T3)

В ходе предпусковых проверок устройство пуска выявило закороченный SCR или короткое замыкание в обводном контакторе, как показано на дисплее.

Low control volts (Низкое управляющее напряжение)

Устройство плавного пуска обнаружило падение управляющего напряжения.

  • Проверьте внешний источник питания (клеммы A4, A5, A6) и перезапустите устройство плавного пуска.

Если внешний резервный источник питания стабилен:

  • Проверьте исправность источника питания 24 В на главной управляющей печатной плате или
  • исправность шунтирующей платы драйвера (только модели с внутренним шунтом). Эта защита не активна в режиме готовности к работе.

Low level (Низкий уровень)

Имя, выбранное для программируемого входа. См. Input A trip (Вход А: отключение).

Low pressure (Низкое давление)

Имя, выбранное для программируемого входа. См. Input A trip (Вход А: отключение).

Motor overload (Перегрузка двигателя) /

Motor 2 overload (Перегрузка двигателя 2)

Достигнута максимальная теплоемкость двигателя. Перегрузка может быть вызвана следующими факторами:

  • настройки параметров защиты устройства плавного пуска не соответствуют теплоемкости двигателя
  • чрезмерное число пусков в час
  • чрезмерная пропускаемая мощность
  • повреждение обмоток двигателя.

Устраните причину перегрузки и дождитесь охлаждения двигателя.

Motor connection tx (Подключение двигателя tx)

Здесь X — фаза 1, 2 или 3.

Двигатель неправильно подключен к устройству плавного пуска в линию или по схеме «внутри треугольника».

  • Проверьте, обеспечивают ли отдельные подключения двигателя к устройству плавного пуска целостность электроцепи.
  • Проверьте соединения в клеммной коробке двигателя. Это отключение не настраивается.

Motor thermistor (Термистор двигателя)

Вход термистора двигателя был подключен, и:

  • Сопротивление на входе термистора превысило 3,6 кОм в течение более, чем 1 секунды.
  • Обмотка двигателя перегрелась. Установите причину перегрева и дождитесь охлаждения двигателя перед перезапуском.
  • Вход термистора двигателя был разомкнут.

УВЕДОМЛЕНИЕ

Если рабочий термистор двигателя более не используется, на клеммы 05, 06 необходимо установить сопротивление емкостью 1,2 кОм.

Motor thermistor (Связь по сети) (между модулем и сетью

Главное устройство сети направило на устройство пуска команду на отключение либо в сети возникла неполадка связи.

Проверьте сеть для выявления причин нарушения связи.

No flow (Поток отсутствует)

Имя, выбранное для программируемого входа. См. Input A trip (Вход А: отключение).

Not ready (Нет готовности)

Проверьте, активна ли функция отключения устройства плавного пуска. Если для параметра 3-3 Input A Function (Вход А: функция) установлено значение Starter disable (Отключение пускового устройства), а цепь между клеммами 11 и 16 разомкнута, устройство плавного пуска не запускается.

Parameter out of range (Параметр вне диапазона)

  • Значение параметра выходит за допустимые пределы.

Устройство плавного пуска загружает значение по умолчанию для всех необходимых параметров. Нажмите кнопку [Main Menu] (Главное меню), чтобы перейти к первому неверному параметру и отрегулировать настройку.

Phase sequence (Чередование фаз)

Чередование фаз на силовых клеммах устройства плавного пуска (L1, L2, L3) недействительно. Проверьте чередование фаз на клеммах L1, L2, L3 и убедитесь, что значение параметра 2-1 Phase Sequence (Чередование фаз) соответствует установке.

PLC (ПЛК)

Имя, выбранное для программируемого входа. См. Input A trip (Вход А: отключение).

Power loss (Потери мощности)

При подаче команды на пуск устройство плавного пуска не получает питание от сети по одной или нескольким фазам.

Убедитесь в том, что главный контактор замыкается при подаче команды на пуск и остается замкнутым до завершения плавного останова.

При тестировании устройства плавного пуска на маломощном двигателе должно достигаться как минимум 2 % от его минимального значения ТПН на каждой фазе.

Pump fault (Отказ насоса)

Имя, выбранное для программируемого входа. См. Input A trip (Вход А: отключение).

Starter/communication (Устройство плавного пуска/связь) (между модулем и устройством плавного пуска)

  • Возникла неполадка соединения между устройством плавного пуска и дополнительным модулем связи. Отсоедините и переустановите модуль. Если неполадка не устранена, обратитесь к местному поставщику оборудования.
  • Возникла внутренняя ошибка связи устройства плавного пуска. Обратитесь к местному поставщику оборудования.

Starter disable (Отключение пускового устройства)

Имя, выбранное для программируемого входа. См. Input A trip (Вход А: отключение).

Thermistor cct (thermistor circuit) (Цепь термистора)

Вход термистора был включен и:

  • Сопротивление на входе упало ниже 20 Ом (сопротивление большинства термисторов в холодном состоянии превышает это значение) или
  • произошло короткое замыкание. Выполните проверку и устраните неполадку. Проверьте, не подключен ли к клеммам 05 и 06 элемент PT100 (RTD).

Time - overcurrent (Время — перегрузка по току)

В рабочем режиме в устройстве плавного пуска с внутренним шунтом произошел скачок тока. (Рост силы тока достиг точки защитного отключения в 10 А либо ток двигателя вырос до

600 % значения тока полной нагрузки двигателя.)

Undercurrent (Недостаточный ток)

В двигателе произошло резкое падение силы тока из-за потери нагрузки. Причиной может быть поломка компонентов (валы, приводные ремни или муфты) или сухой ход насоса.

Unsupported option (Неподдерживаемый параметр) (функция не работает в схеме

«внутри треугольника»)

Выбранная функция недоступна (например, фиксация частоты не поддерживается в конфигурации «внутри треугольника»).

Vibration (Вибрация)

Имя, выбранное для программируемого входа. См. Input A trip (Вход А: отключение).

VZC fail px (Отказ VZC, px)

Здесь X — фаза 1, 2 или 3.

Внутр. ошибка (отказ печатной платы). Обратитесь за советом к местному поставщику оборудования Danfoss.

Это отключение не настраивается.

 

Ошибки устройства плавного пуска Danfoss MCD 500 общего характера

Ниже описаны ситуации, когда устройство плавного пуска не работает должным образом, но при этом не отключается и не выводит предупреждение.

Признак

Вероятная причина

Устройство плавного пуска не готово.

Проверьте вход A (11, 16). Проверьте, не отключено ли устройство плавного пуска через программируемый вход. Если для параметра 3-3 Input A Function (Вход А: функция) установлено значение Starter disable (Отключение пускового устройства), а цепь на соответствующем входе разомкнута, устройство плавного пуска не запускается.

Устройство плавного пуска не реагирует на нажатие кнопок [Hand On] (Ручной режим) и [Reset] (Сброс).

Проверьте, не находится ли устройство плавного пуска в режиме автоматического управления. При работе устройства плавного пуска в режиме автоматического управления светодиод Hand On (Ручной режим) на устройстве плавного пуска не горит. Для перехода в режим местного управления один раз нажмите кнопку [Auto On] (Автоматический режим).

Устройство плавного пуска не реагирует на команды с управляющих входов.

  • Устройство плавного пуска ожидает истечения времени задержки перезапуска. Длительность отсрочки перезапуска определяется параметром 2-11 Restart delay (Задержка перезапуска).
  • Запуск двигателя, возможно, блокирован из-за перегрева. Если для параметра 2-12 Motor temperature check (Проверка температуры двигателя) задано значение Check (Проверять), то устройство плавного пуска разрешает пуск только после того как рассчитает, что теплоемкость двигателя достаточна для успешного выполнения пуска. Перед новой попыткой запуска дождитесь охлаждения двигателя.
  • Проверьте, не отключено ли устройство плавного пуска через программируемый вход. Если для параметра 3-3 Input A Function (Вход А: функция) установлено значение Starter disable (Отключение пускового устройства), а цепь между клеммами 11 и 16 разомкнута, устройство плавного пуска не запускается. Если необходимости отключать устройство плавного пуска нет, замкните цепь на этом входе.

Внимание!

Параметр 3-1 Local/remote (Местное/дистанционное управление)

определяет, включена ли кнопка [Auto On] (Автоматический режим).

Устройство плавного пуска не реагирует на команду пуска ни с местных, ни с дистанционных средств управления.

  • Устройство плавного пуска может ожидать истечения времени задержки перезапуска. Длительность отсрочки перезапуска определяется параметром 2-11 Restart delay (Задержка перезапуска).
  • Запуск двигателя, возможно, блокирован из-за перегрева. Если для параметра 2-12 Motor temperature check (Проверка температуры двигателя) задано значение Check (Проверять), то устройство плавного пуска разрешает пуск только после того как рассчитает, что теплоемкость двигателя достаточна для успешного выполнения пуска.
  • Проверьте, не отключено ли устройство плавного пуска через программируемый вход. Если для параметра 3-3 Input A Function (Вход А: функция) установлено значение Starter disable (Отключение пускового устройства), а цепь между клеммами 11 и 16 разомкнута, устройство плавного пуска не запускается. Если необходимости отключать устройство плавного пуска нет, замкните цепь на этом входе.

Внимание!

Параметр 3-1 Local/remote (Местное/дистанционное управление)

определяет, включена ли кнопка [Auto On] (Автоматический режим).

Устройство плавного пуска неправильно управляет двигателем при пуске.

  • Пуск может выполняться нестабильно при низком значении тока полной нагрузки двигателя (пар. 1-1 Motor FLC (Ток полной нагрузки двигателя)). Это может сказаться на применении с малым тестовым двигателем со значением тока полной нагрузки 5–50 А.
  • На устройстве плавного пуска со стороны источника питания установите конденсаторы компенсации коэффициента мощности (PFC). Для управления выделенным контактором конденсаторов PFC подключите контактор к клеммам реле работы.

Двигатель не разгоняется до полной скорости.

  • Если пусковой ток слишком слаб, то двигатель не создает достаточный крутящий момент для разгона до полной скорости. Устройство плавного пуска может отключиться из-за превышения максимального времени пуска.

Внимание!

Убедитесьв том, что пусковые параметры двигателя настроены всоответствиис применением и используется надлежащий профильпуска двигателя. Если в параметре 3-3 Input A Function (Вход А:функция)задано значение Motor Set Select (Выбор набора двиг.),убедитесьв том, что соответствующий вход в правильном состоянии.

Убедитесь, что нагрузка не заблокирована. Проверьте, не произошло ли серьезной перегрузки или блокировки ротора.

Неустойчивая работа двигателя.

  • В устройстве плавного пуска для фиксации состояния тиристоров (SCR) требуется ток не менее 5 А. Если устройство плавного пуска тестируется с помощью двигателя с током полной нагрузки менее 5 А, фиксация состояния SCR может пройти неправильно.

Неустойчивая и шумная работа двигателя.

При подключении по схеме «внутри треугольника» устройство плавного пуска может неправильно обнаруживать подключение. Обратитесь за советом к местному поставщику оборудования Danfoss.

Плавный останов завершается слишком быстро.

  • Настройка плавного останова может не соответствовать двигателю и нагрузке.

Проверьте значения следующих параметров:

  • 1-10 Stop Mode (Режим останова).
  • 1-11 Stop Time (Время останова).
  • Пар. 7-10 Stop Mode-2 (Режим останова 2).
  • Пар. 7-11 Stop Time-2 (Время останова 2).
  • При небольшой нагрузке двигателя эффект плавного останова ограничен.

Не работают функции адаптивного управления, торможения постоянным током, фиксации частоты.

  • Эти функции доступны только при линейном подключении. Если устройство плавного пуска установлено по схеме «внутри треугольника», такие функции не работают.

При использовании 2-проводного дистанционного управления после команды автосброса сброс не происходит.

  • Чтобы выполнить перезапуск, необходимо снять и подать заново сигнал 2- проводного пускового устройства.

При использовании 2-проводного дистанционного управления дистанционная команда пуска/останова переопределяет настройки автоматического пуска/останова.

  • Используйте автоматический пуск/останов в автоматическом режиме только при 3- или 4-проводном управлении.

После выбора адаптивного управления двигатель выполнил обычный пуск и/или второй пуск отличался от первого.

  • При первом запуске адаптивного управления определяетсяCurrent limit

(Предельное значение тока). Затем устройство плавного пуска определяет характеристики двигателя. При последующих пусках применяется адаптивное управление.

Несбрасываемое Thermistor Cct (Oтключение по контуру термистора) при наличии клеммной перемычки между входами 05 и 06 термистора или при полном отсоединении термистора двигателя от клемм 05 и 06.

  • Вход термистора включается сразу после установки клеммной перемычки и

активации защиты от короткого замыкания.

Удалите перемычку, затем загрузите набор параметров по умолчанию. Это отключает вход термистора и удаляет сообщение об отключении.

Установите на вход термистора сопротивление емкостью 1,2 кОм. Переключите защиту термистора на значение Log only (Только регистр.) (параметр 16-9 Motor Thermistor (Термистор двигателя)).

Не удается сохранить настройки параметров.

  • После изменения настройки параметра не забудьте сохранить новое значение с помощью кнопки [ОК]. При нажатии кнопки [Back] (Назад) изменения не сохраняются.
  • Проверьте, задано ли для блокировки настройки (параметр 15-2 Adjustment Lock (Блокировка настройки)) значение Read/Write (Чтение/запись). Если блокировка включена, настройки можно просмотреть, но не изменить. Для изменения значения блокировки настройки требуется защитный код доступа.
  • Не исключены неполадки ЭСППЗУ на главной управляющей печатной плате. При неполадках ЭСППЗУ происходит также отключение устройства плавного пуска, а на экран LCP будет выводится сообщение Par. Out of Range (Пар. вне диапазона). Обратитесь за советом к местному поставщику оборудования Danfoss.

На LCP отображается сообщение Awaiting data (Ожидание данных).

LCP не получает данные с платы управления. Убедитесь, что кабель подключен.

 

Скачать руководство пользователя для устройства плавного пуска Danfoss MCD 500 – manual

 

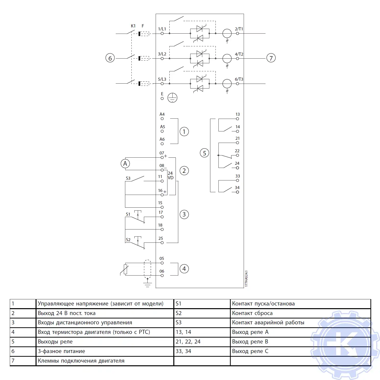
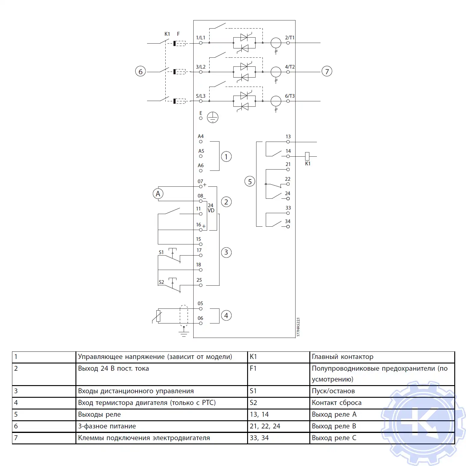
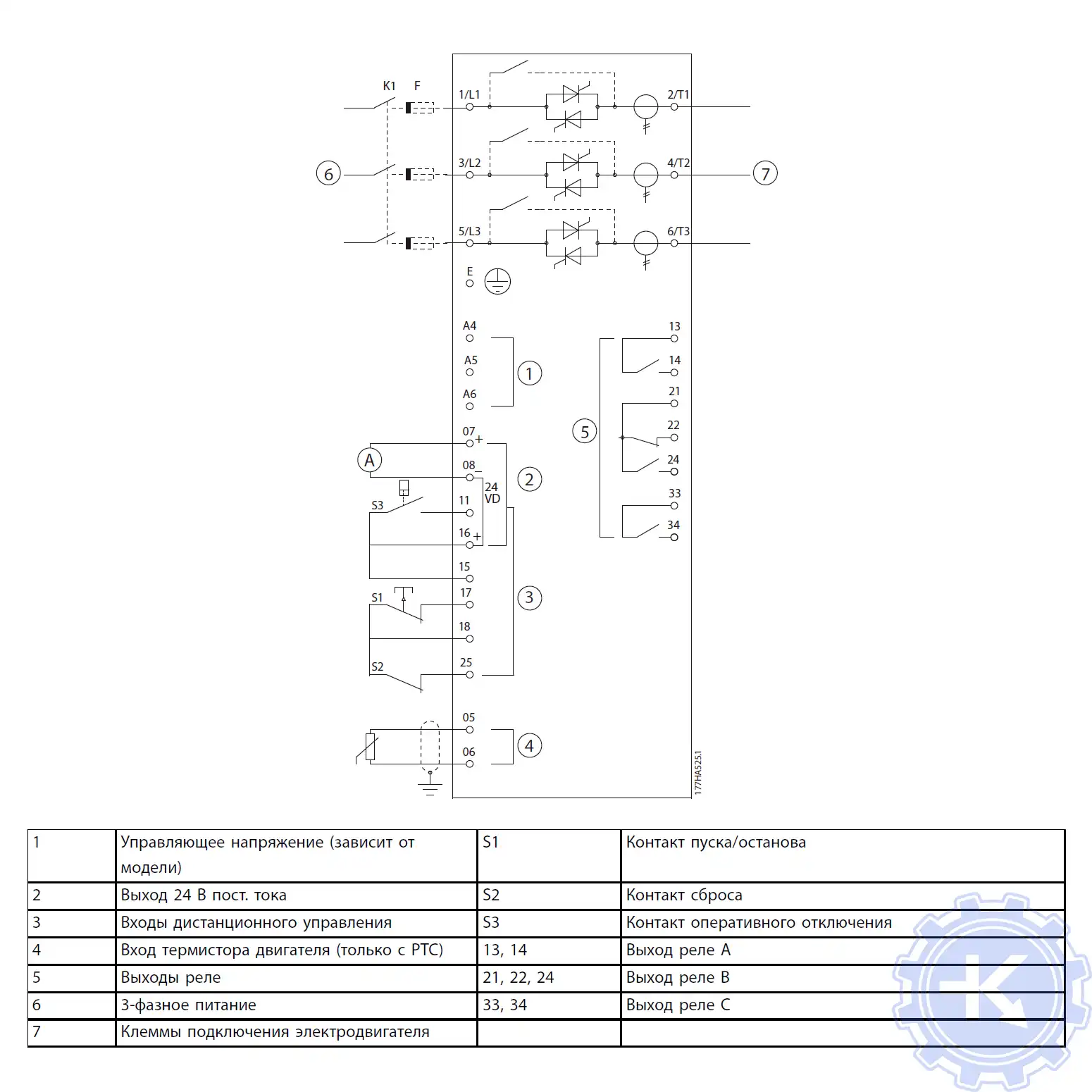
Схемы Danfoss MCD 500 в цепях питания двигателя

Схема цепи с плавным контактором УПП MCD 500

Схема цепи с обводным контактором УПП MCD 500

Схема цепи с плавным контактором УПП MCD 500

Схема цепи с обводным контактором УПП MCD 500

Схема цепи режима аварийной работы УПП MCD 500

Схема цепи оперативного отключения УПП MCD 500

Схема цепи режима аварийной работы УПП MCD 500

Схема цепи оперативного отключения УПП MCD 500

 

Ошибки УПП Danfoss MCD 500 и их сброс

Ошибки устройства плавного пуска Danfoss MCD 500Некоторые модели устройств плавного пуска для удобства оснащены индикационными панелями, с помощью которых можно программировать УПП, а также увидеть ошибки в случае аварийного останова оборудования. В данной статье мы рассмотрели ошибки MCD 500, а точнее ошибки устройства плавного пуска Danfoss серии MCD 500. УПП в наше время нашли широкое применение в абсолютно всех сферах промышленности защищая ваши электродвигатели и максимально продлевая их безаварийную работу.

Для простоты общения со столь сложной электроникой некоторые устройства оснащены небольшими дисплеями с помощью которых выводятся информационные сообщения с кодами ошибок, расшифровав которые можно сразу же узнать причину ее возникновения. Если учесть распространенность данной промышленной электроники, то появляется острая нужда в расшифровке кодов ошибок плавного пуска. В этой статье мы привели в пример одного из самых известных производителей промышленного оборудования имеющему уважение во всем мире, Danfoss.

Существует несколько видов ошибок, некоторые из них можно устранить автоматически, а некоторые возможно исправить только, обратившись в специализированный сервисный центр. В таблицах ниже приведены коды ошибок УПП Danfoss MCD 500 их расшифровка и методы устранения.

Если ошибки плавного пуска Danfoss самостоятельно исправить невозможно специалисты нашего сервисного центра с радостью придут на помощь. Инженеры компании проведут глубокую диагностику и последующий ремонт а также сделают сброс ошибок УПП в и все это в максимально сжатые сроки за 20% - 40% от стоимости нового устройства плавного пуска.

Оставьте заявку на ремонт и сброс ошибок УПП Danfoss MCD 500 с помощью формы на сайте или свяжитесь с нашими менеджерами, сделать это можно несколькими способами.

Оставить заявку на ремонт УПП Danfoss

У вас остались вопросы, связанные с ремонтом, сбросом ошибок, программированием и настройкой УПП Danfoss? Оставьте заявку на ремонт УПП Danfoss в нашим менеджерам. Связаться с ними можно несколькими способами:

Наши контакты

  • Заполнив форму заявки на ремонт (кнопка в правом верхнем углу сайта)
  • Позвонив по номеру телефона:
    • +7(8482) 79-78-54;
    • +7(8482) 55-96-39;
    • +7(917) 121-53-01
  • Написав на электронную почту: 89171215301@mail.ru

Похожие статьи